新闻资讯

首页 > 新闻资讯 > 深挖节能改造,畅享性能提升

深挖节能改造,畅享性能提升

真诚服务 共筑美

节能改造 提升性能

案例分享

我司某合作伙伴系国内汽车及电子代加工行业的领军企业,现场空压机及后处理干燥机设备数量众多,其中不乏使用年限较长且技术陈旧的设备。在国家推行设备以旧换新及节能改造升级的政策大背景下,客户向我司提出了现场改造的需求。

在沟通中创新

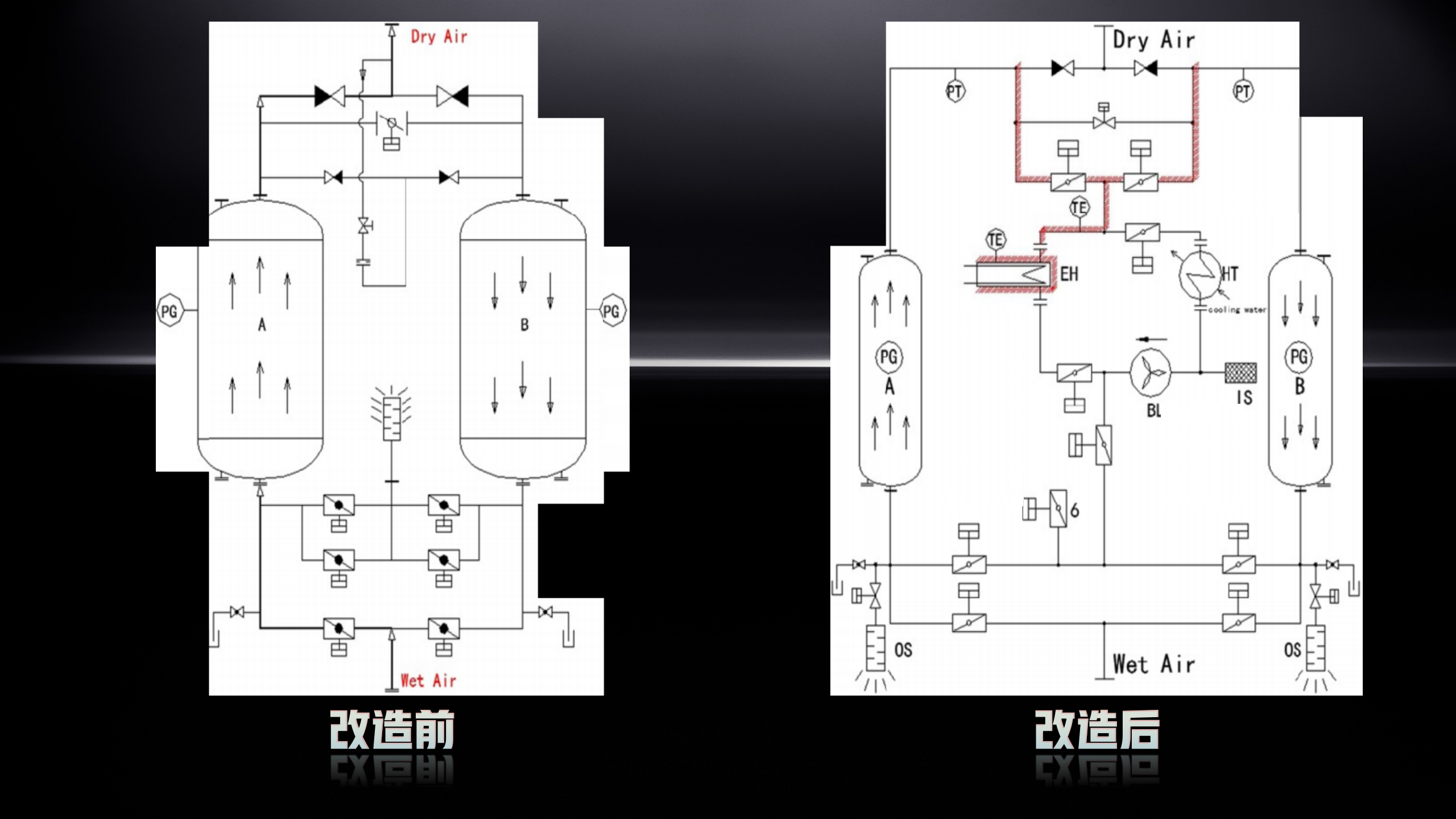
据了解,原设备为同行厂家 150 立方无热再生吸附式干燥机,我司经深入现场工况分析,创新提出‘零气耗鼓风热再生吸附式干燥机改造方案’

此方案通过对原设备系统基础耗气量的节能改造,彻底摒弃传统耗气模式,通过环境大气加热再生与高效热循环系统设计,实现全程无压缩空气消耗。具体运作中,利用鼓风机驱动热气在封闭回路内循环,经水冷换热器精准控温,确保吸附剂高效再生同时降低能耗,最终实现设备耗气量归零,显著优化空压站能效。

如图所示,压缩空气进入干燥塔处理后变为‘成品气’,部分干燥后的‘成品气’被用于对再生塔吸附剂进行再生吹扫,其消耗量约为进口气量的25%。

节能效果 有目共睹

由于行业的特殊性及保密性,改造无法直接在客户现场实施,这无疑给本次‘改造任务’增加了困难。但没有挑战便没有创新,英国上市公司365选派了资深的专业技术工程师上门进行工程勘测、现场规划、合理布局,其根据深厚的经验,决定将整套设备返厂‘重塑’,最终未负客户所托,保质保量并高效的完成了本次‘改造任务’。

据计算统计,设备改造前干燥机25%的耗气量,可造成空压机每天平均能耗损失高达250KW,改造后可将每天平均能耗降低至80KW左右。经核算对比,设备改造后节能可超65%以上,单台干燥机每年可节省费用约100万元以上!

并肩同行 携手奋进

设备改造后的稳定运行,节能效果有目共睹,获得了客户的一致肯定。这不仅让客户对我们的专业能力给予了高度赞誉,更使其对我们的专业有了更深层次的认可。

未来,在节能改造的‘赛道’上,让我们并肩同行,携手奋进!

上一条: 英国上市公司365|培训赋能 助力员工成长 下一条: 千里共婵娟|英国上市公司365邀您一起云度中秋
QQ1:773837443
QQ2:2374586841